Електродвигун синхронний СДНЗ-2 17-26-16 (500 кВт / 375 об\хв 6000 В)
- В наявності
- Оптом і в роздріб
Ціну уточнюйте
Мінімальна сума замовлення на сайті — 20000 грн

Синхронні електродвигуни серії СДП-2, СДН(З)-2
Синхронні електродвигуни серії СДП-2, СДН(З)-2 давно зарекомендували себе як надійні агрегатів для приводу механізмів, що не вимагають регулювання частоти обертання (насоси, млини, вентилятори, дробильні механізми, деревоподрібнюючі машини та ін). Двигуни спроектовані для умов тривалої роботи. В залежності від умов експлуатації можуть виготовлятися в двох кліматичних виконаннях (для помірного і тропічного клімату), а також відкритому (IP11) або закрите (IP44) виконаннях.
Загальні відомості з синхронних електродвигунів серії СДП-2, СДНЗ-2
Електродвигуни серій СДП-2, СДНЗ-2 призначені для приводу механізмів, що не вимагають регулювання частоти обертання, і розраховані для роботи в тривалому режимі S1 від мережі змінного струму частотою 50 Гц або 60 Гц, сosϕ = 0,9 (випереджаюче).
Двигатели изготавливаются на напряжение 6000 В, 10000 В; при поставке на экспорт в страны с умеренным и тропическим климатом двигатели могут изготавливаться на напряжение 6300 В, 6600 В. Возбуждение двигателей от тиристорных возбудителей. По требованию заказчика, на базе вышеуказанных машин, могут быть изготовлены двигатели на другие мощности, напряжение и частоту сети. Двигатели выполняются на подшипниках скольжения с кольцевой и комбинированной смазкой, с одним или двумя концами вала, на лапах. Выводные концы выведены в коробку выводов или в фундаментную яму. Вивідні кінці виведені в коробку висновків. Ступінь захисту двигунів СДП-2 — IP11; СДНЗ-2 — IP43.
Охолодження двигунів:
- зі ступенем захисту IP11 — в режимі самовентиляції;
- зі ступенем захисту IP43 — в режимі примусової вентиляції.
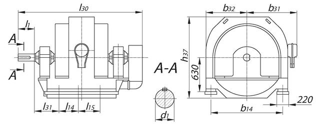
Габаритні і приєднувальні розміри двигунів СДП-2, СДНЗ-2

Габаритні і приєднувальні розміри двигунів СДП-2, СДНЗ-2 напругою 6 000
Модель ел.двигуна |
Розміри, мм | |||||||||
| d1 | l1 | l14 | l15 | l30 | l31 | b14 | b31 | b32 | h37 | |
| 16-31-6УЗ | 130k6 | 250 | 355 | 400 | 2280 | 450 | 1320 | 980 | 750 | 1500 |
| 16-36-6УЗ | 130k6 | 250 | 400 | 450 | 2300 | 450 | 1320 | |||
| 16-49-6УЗ | 140k6 | 250 | 400 | 450 | 2420 | 450 | 1320 | |||
| 16-59-6УЗ | 160k6 | 300 | 560 | 500 | 2580 | 450 | 1320 | |||
| 16-74-6УЗ | 160k6 | 300 | 630 | 560 | 2730 | 450 | 1320 | |||
| 16-31-8УЗ | 130k6 | 250 | 355 | 400 | 2280 | 450 | 1320 | |||
| 16-36-8УЗ | 140k6 | 250 | 400 | 450 | 2300 | 450 | 1320 | |||
| 16-46-8УЗ | 150k6 | 250 | 500 | 400 | 2400 | 450 | 1320 | |||
| 16-59-8УЗ | 160k6 | 300 | 560 | 500 | 2580 | 450 | 1320 | |||
| 17-44-8УЗ | 180k6 | 300 | 500 | 400 | 2410 | 425 | 1600 | 1125 | 925 | 1800 |
| 17-56-8УЗ | 180k6 | 300 | 560 | 450 | 2580 | 450 | 1600 | |||
| 17-71-8УЗ | 200k6 | 350 | 710 | 450 | 2790 | 450 | 1600 | |||
| 16-36-10УЗ | 140k6 | 250 | 400 | 450 | 2250 | 425 | 1320 | 980 | 750 | 1500 |
| 16-44-10УЗ | 150k6 | 250 | 500 | 400 | 2330 | 425 | 1320 | |||
| 16-56-10УЗ | 160k6 | 300 | 560 | 450 | 2510 | 425 | 1320 | |||
| 17-44-10УЗ | 180k6 | 300 | 500 | 400 | 2410 | 425 | 1600 | 1125 | 925 | 1800 |
| 17-51-10УЗ | 180k6 | 300 | 560 | 400 | 2530 | 450 | 1600 | |||
| 17-64-10УЗ | 200k6 | 350 | 630 | 450 | 2720 | 450 | 1600 | |||
| 16-36-12УЗ | 140k6 | 250 | 400 | 450 | 2250 | 425 | 1320 | 980 | 750 | 1500 |
| 16-44-12УЗ | 140k6 | 250 | 500 | 400 | 2330 | 425 | 1320 | |||
| 17-31-12УЗ | 150k6 | 250 | 355 | 400 | 2210 | 425 | 1600 | 1125 | 925 | 1800 |
| 17-39-12УЗ | 180k6 | 300 | 400 | 450 | 2340 | 425 | 1600 | |||
| 17-49-12УЗ | 180k6 | 300 | 500 | 400 | 2490 | 450 | 1600 | |||
| 17-19-16УЗ | 130k6 | 250 | 280 | 315 | 2020 | 425 | 1600 | |||
| 17-21-16УЗ | 130k6 | 250 | 280 | 315 | 2040 | 425 | 1600 | |||
| 17-26-16УЗ | 140k6 | 250 | 280 | 355 | 2090 | 425 | 1600 | |||
| 17-31-16УЗ | 160k6 | 300 | 315 | 400 | 2200 | 425 | 1600 | |||
| 17-41-16УЗ | 180k6 | 300 | 355 | 450 | 2300 | 425 | 1600 | |||
| 17-26-20УЗ | 130k6 | 250 | 280 | 355 | 2090 | 425 | 1600 | |||
| 17-31-20УЗ | 140k6 | 250 | 315 | 400 | 2150 | 425 | 1600 | |||
| 17-41-20УЗ | 160k6 | 300 | 350 | 450 | 2300 | 425 | 1600 | |||
| Основні | |
|---|---|
| Країна виробник | Україна |
| Вага | 4500 кг |
| Потужність | 500 кВт |
| Напруга | 6 В |
| Частота обертання | 375 об/хв |
| Тип двигуна | Синхронные |
| Користувальницькі характеристики | |
| Кількість полюсів | 16 шт. |
- Ціна: Ціну уточнюйте


