Запчастини на Насос СВН-80 А
- Під замовлення
Відправка з 05 травня 2026від 500 ₴
Мінімальна сума замовлення на сайті — 20 000 ₴

насоси свн 80, вс-80 і агрегати на їх основі призначені для перекачування палива, спирту, гасу, води та інших схожих за властивостями рідин. відцентрово-вихровий консольний двоступінчастий насос. самовсмоктуючий, вибухобезпечний, з торцевим ущільненням. просте рішення для будь-яких завдань. мобільні агрегати на візку з пультом управління.
увагу насос модернізований ! тепер велика продуктивність !


ви з нами:
гарантовано отримуєте насос без дефектів
отримуєте фотографії насоса перед його відвантаженням
плюс! своєчасно обмінюємося документами кур'єрською поштою за наш рахунок
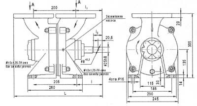
Схема:

Колесо Вихровий:
Характеристики
10 причин вибрати саме нас
- унікальний склад запасних частин
- 11 сервісних центрів у найбільших містах україни
- екстрені поставки товару (не більше 10 годин з моменту телефонного дзвінка)
- модернізація обладнання
- портфель галузевих рішень по енергозбереженню
- безкоштовні консультації, підбір насоса
- виготовлення насосів та комплектуючих по кресленнях замовника
- 100% гарантія повернення грошей
- готівковий і безготівковий розрахунок акредитив і розстрочка
- вашим замовленням займається персональний менеджер
СВН 80, ВС 80
|
№ п/п |
Марка електронасоса |
Подача, Q (min, max), м3/год |
Напір Н (max, min), м |
∆h, м, доп. |
Частота обертання, об/хв. |
Потужність двигуна, Nэд., кВт |
Маса агрегату, кг |
Габаритні розміри, LхBхH, мм |
|---|---|---|---|---|---|---|---|---|
|
1. |
Насос лівого або правого обертання СВН-80 |
38 |
26 |
4,5 |
1450 |
Без двигуна і фундаментної плити |
17,6 (насоса) |
424х245х305 |
|
2. |
Електронасосний агрегат СВН-80 |
38 |
26 |
4,5 |
1450 |
15; 11 |
295; 264 |
1136х405х625; 1036х405х593 |
|
3. |
Електронасосний агрегат СВН-80 |
20 |
12 |
4,5 |
960 |
5,5 |
191 |
1040х405х623 |
Умовне позначення 1АСВН-80АМ (З,Р,ДО)-У2, де:
1 - модифікація;
А ― агрегат;
СВН ― самовсмоктуючий вихровий насос;
80 ― діаметр всмоктуючого і нагнітального патрубків, мм;
А ― індекс модернізації;
М ― допоміжне ущільнення (манжета);
З ― харчове виконання (без консервації);
Р ― для перекачування розчинника;
К ― для перекачування кислоти;
У2 ― кліматичне виконання і категорія розміщення при експлуатації по ГОСТ 15150-69.
Робочі інтервали самоусмоктувальних насосів типу 1СВН-80АМ і агрегатів 1АСВН-80АМ

| Основні атрибути | |
|---|---|
| Країна виробник | Україна |
| Додатковий сервіс | Сервісне обслуговування |
| Дозволені рідини | Спирт, Бензин, Гас, Дизель |
| Виробник | Ама |
- Ціна: від 500 ₴




